V6系列交流伺服電機相較KS/KJ系列電機,體積更小、防護等級提升至IP67、定制機型速度可達6500rpm、扭矩波動更低、過載能力更強等。
V6系列伺服電機提供23bit光編和17bit磁編兩種編碼器,新推出直插電機,客戶可根據實際需要變更線纜和連接器,適應更苛刻的環境,且與引線電機外觀無差異,方便結構設計。
特點:高性能、高過載、中慣量、磁編和光編多種編碼器形式可選、直插和引線兩種電機結構選擇。
技術參數
| 型號MV6M- | 08A |
| 電機框號 | 80 |
| 額定功率(W) | 750 |
| 額定電壓(V) | 220V |
| 額定電流(Arms) | 4.4 |
| 更大電流(Arms) | 16.9 |
| 額定轉矩*1 (N?m) | 2.39 |
| 更大轉矩 (N?m) | 8.37 |
| 額定轉速(rpm) | 3000 |
| 更高轉速 (rpm) | 6000(光編)5000(磁編) |
| 力矩系數(N?m/A) | 0.584 |
| 反電勢系數(10-3V/krpm) | 35.3 |
| 電阻(20°C) (Ω) | 0.946 |
| 電感(20°C) (mH) | 4.44 |
| 轉子極數 | 10 |
| 轉子轉動慣量(10-4Kg?m2) | 1.58(1.62) |
| 容許負載轉動慣量 | 12倍以下 |
| 電氣時間常數(ms) | 3.76 |
| 機械時間常數(ms) | 0.72 (0.73) |
| 重量(kg) | 2.2 (3.0) |
| 防護結構*2 | 全封閉自冷IP65/IP67 |
| 散熱片尺寸(mm) | 250×300×15 |
( )內為帶保持制動器的伺服電機參數值。
額定轉矩表示安裝在表中所示尺寸的鋁制散熱片上且環境溫度為40℃時的連續容許轉矩值。
軸貫通部分除外。僅使用專用電纜時,滿足保護結構規格。
轉速特性曲線
MV6M-08AA、08AB MV6M-08AM、08AN

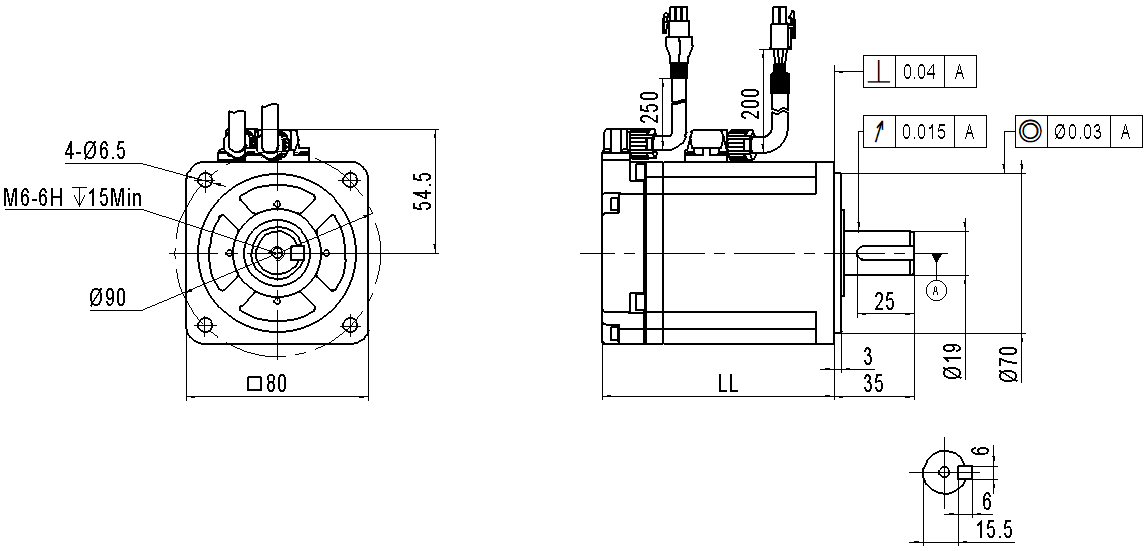
80系列伺服電機安裝尺寸

| 電機型號 | LL |
| MV6M-08A□□□ | 99.1(131.6) |
( )內為抱閘機型

220V電機參數/380V電機參數
*1.額定轉矩表示安裝在表中所示尺寸的鋁制散熱片上且環境溫度為40℃時的連續容許轉矩值。
*2.軸貫通部分除外。僅使用專用電纜時,滿足保護結構規格。
*3.使用帶保持制動器的伺服電機時,請注意以下幾點。
·無法將保持制動器用于制動。
·保持制動器打開時間和動作時間因放電回路而異。使用時,請務必通過實際產品確認動作延遲時間。
·DC24V電源請用戶自備
東莞市欣達工業自動化有限公司從事研發、生產和銷售變距滑臺、變距模組、刀片氣缸、一體式微型滑臺真空氣缸、旋轉真空氣缸、無牙螺母、無牙螺桿、光桿排線器、進口精密光桿、T型絲桿及精密模具配件的生產企業, 歡迎廣大新老客戶來電咨詢,聯系電話:13686286625。


<
客服1